詳細信息
廣東舜天:
廣東舜天新材料有限公司(SUNTIP)是國內的膠黏劑及膠黏方案提供者,長期以來致力于聚酰胺、聚酯、聚氨酯熱熔膠產品的研發、生產和銷售。 廣東舜天的歷史早可以追溯到1992年,制造工廠位于東莞大朗和廣東韶關兩處,并在東莞市中心地段國際大廈設立SUNTIP品牌運營和服務中心。公司運營的20余年來,一直專注于熱熔膠產品,在專業領域,為專業的客戶提供專業的產品和服務。 SUNTIP早于20世紀90年代初起步。在中國東莞,大量優質工廠為國內外知名品牌代工制造產品,這些工廠分布在電子、汽車、建筑、包裝、印刷、鞋材、服裝、家具、交通等各行業。
生產線實景:
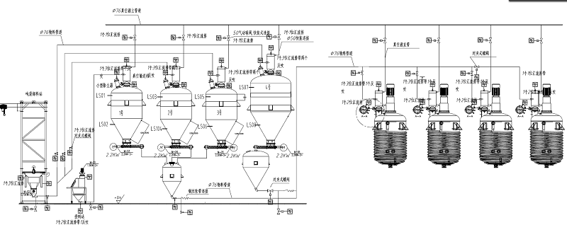
系統流程圖:
需求與設備:
|
需求 |
描述 |
設備 |
單位 |
數量 |
|
粉體投料 |
小袋裝分體投料 |
小袋拆包站 |
套 |
1 |
|
粉體投料 |
噸包裝分體投料 |
噸袋卸料站 |
套 |
1 |
|
粉體原料倉 |
5-10m3,活化助流 |
粉體料倉 活化料斗 |
套 |
5 |
|
配料系統 |
5種粉體,4種液體 |
稱重配料系統 |
套 |
6 |
|
粉體輸送 |
真空輸送系統 |
真空輸送機 |
套 |
8 |
|
電氣自動化 |
實現生產自動化 |
PLC系統 |
套 |
1 |
|
監控系統 |
集中控制,集中監視 |
SCADA系統 |
套 |
1 |


